DOL Forward Reverse Starter Litar Kawalan. Lonjakan arus listrik pada saat melakukan starter bisa dikurangi dengan menggunakan rangkaian star delta ini.
Litar Litar Kawalan Motor Pdf Components Magnetism
Semoga bermanfaat untuk anda.

Star delta litar kawalan. Rangkaian star delta mempunyai fungsi untuk mengurangi jumlah dari arus start pada saat motor itu dihidupkan. Star delta litar scribd litar litar kawalan motor id scribd com sistem listrik 3 phase atau 3 fasa zulkarnain star delta onlajer com perhitungan untuk motor 3 fasa kaltimintegrator kelas pw4 giat merbok papan suis utama 3 fasa teknologi elektrik star delta forward reverse kakilapan electrical motor control q amp a kawalan motor star delta. Pada masa ini Motor akan beroperasi dalam sambungan Star Bintang melalui Litar Utama yang telah disambungkan pada Motor.
Star delta forward reverse. Star Delta Forward Reverse Starter Litar Kawalan. Jenis Sistem Pendawaian Sesalur.
Pemula pengubah automatik Auto trans. Keburukan Memerlukan 6 buah kotak terminal. Star Delta Starter Litar Kawalan.
Star Delta Litar Scribd April 29th 2019 - Star Delta Litar Free download as PDF File pdf Text File txt or read online for free Scribd is the world s largest social reading and publishing site Search Search electrical my hobby PENGHIDUP MOTOR MOTOR STARTER May 11th 2019 - Disini pelbagai alrtikel litar dan seumpamanya berkaitan teknikal akan 1 8. Kaedah penyambungan ini perlu difahami agar peralatan bersambung dengan sempurna mengikut kehendak yang diinginkan. Video ni khas untuk korang yang nak ulangkaji atau baru nak belajar tentang penghidup motor.
Menghidup dan mematikan sesebuah motor elektrik sama ada 1 fasa atau 3 fasa. Permulaan Star Delta adalah mungkin yang paling umum permulaan voltan dikurangkan. October 1st 2018 - Star Delta Litar MODUL 11 Litar Litar Kawalan Motor SENGGARAAN ACB Nota Synchronizing SISTEM PENDAWAIAN 3 FASA Umbang Asas Janakuasa AMF 10 BAB 8 Pemeriksaan amp amp Pengujian Latest 231207 Done Pengubah Transformer 2 PEMUTUS LITAR Motor Control Circuit TEKNOLOGI ELEKTRIK 1 Unit 9.
Discover Electronics Embeded System Robotics Litar Kawalan Motor Menggunakan Relay. Auto Trans Forward Reverse. STARTING MOTOR i DIRECT ONLINE STARTER permulaan talian terus iv SOFT STARTER pemula lembut ii STAR DELTA pemula bintang-delta iii AUTO.
Jangan lupa Like Share dan Subscribe. 80 motor dan alat kawalan task 08 jenis penghidup objektif pencapaian piawai pelajar akan ditunjukkan dengan cara-cara untuk menjalankan kerja-kerja pendawaian bagi litar penghidup tajuk 4. My Two Cents Contoh Litar Kawalan Motor 3 Fasa 415 V Bagi Sistem Penghidup Bintang Delta Mara Songsang.
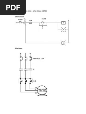
LITAR LITAR KAWALAN LITAR LITAR KUASA MOTOR 1. Arus mula kurang kepada 13 daripada arus nominal. Kawalan motor adalah satu sistem yang terdiri daripada gabungan beberapa peralatan yang bertujuan untuk mengawal pergerakan motor sama ada 1 fasa atau 3 fasa.
Penyambungan dibuat mengikut litar 1 a or 1 b. Berikut adalah litar kawalan dan litar utama star-delta dalam kursus kawalan motor elektrik yang lengkap untuk rujukan pelajar jurusan elektrik. Auto Trans Starter Litar Kawalan.
Litar pemula kawalan motor elekrik merupakan perkara utama yang harus diketahui bagi melakukan penyambungan kabel dengan kompenen. Litar Projek Kawalan Motor Forward Reverse Star Delta. RELATED TITLES STAR DELTA STARTER LITAR KAWALAN LITAR KUASA 4 STAR DELTA FORWARD REVERSE STARTER LITAR KAWALAN LITAR KUASA 5 AUTO TRANS STARTER LITAR KAWALAN LITAR KUASA 6 AUTO TRANS FORWARD REVERSE STARTER LITAR KAWALANjenis pendawaian id scribd com September 9th 2018 - Scribd is the world s largest social reading.
Apabila Start Button ditekan Contactor C1 dan C3 akan hidup pada masa yang sama Coil Timer mendapat bekalan melalui NC Contactor C2. 42 Fungsi Sistem Kawalan Motor. F - Sesentuh Mara Forward contactor R - Sesentuh Songsang Reversed contactor D - Sesentuh Delta Delta contactor S - SesentuhBintang Star contactor TDR Geganti pelewat masa Time Delay Relay OL TRIP - Geganti beban lampau Overload relay P L-E - Lampu penunjuk kecemasan Emergency pilot lamp.
Voltan talian voltan fasa sambungan star Motor mesti sampai sekurang-kurangnya 90 daripada kadar kelajuan permulaan. L Starter Litar Kawalan. Mengelakkan motor hidup dengan sendiri setelah berlaku keputusan bekalan.
Star Delta Starter Reverse Forward Power Wiring And Motor Litar Projek Kawalan Motor Forward Reverse Star Delta Reverse Forward Star Delta Starter Power Wiring Motor Forward Reverse Star Delta Circuit Plc And Automation Baju Sulam Terkini View 31 Star Delta Wiring Diagram. At Ogos 18 2018 NOTA. Mula mula dapat tugasan ni rasa blur lah.
Ia digunakan dalam usaha untuk mengurangkan arus permulaan yang diterapkan untuk motor selama awal sebagai satu cara untuk mengurangkan gangguan dan gangguan pada bekalan elektrik. Kawalan Motor Star Delta. Penghidup bintang-delta mara songsang tujuan kertas penerangan ini akan menerangkan.
Gambarajah di bawah menunjukkan litar utama penghidup talian terus satu fasa. Penerangan bagi litar 2. Kali ni diberi tugasan untuk siapkan litar kawalan motor star delta.
In this tutorial we will show the Star-Delta Y-Δ 3-phase induction AC Motor Starting Method by Automatic star-delta starter with Timer with schematic power control and wiring diagram as well as how star-delta starter works and their applications with advantages and disadvantages. Litar kawalan star delta Contoh pendawaian litar kawalan bagi sistem star delta. Dikarenakan fungsi ini juga star delta banyak sekali fungsinya salah satunya sebagai rangkaian didalam sistem starting dalam motor listrik.
Litar Projek Kawalan Motor Forward Reverse Star Delta. Kertas Tugasan 1 Kawalan Turutan. Operasi litar kawalan dan litar utama Penghidup Bintang Delta.
Fungsi kawalan motor pada asasnya mempunyai 5 kategori utama iaitu. Automatic Star Delta Starter with Timer for 3-Phase AC Motors. Tendangan arus yang tinggi apabila proses penukaran litar bintang ke delta.
Kabel ini digunakan dalam membuat pendawaian bagi litar utama penghidup talian terus satu fasa tetapi bergantung kepada kuasa motor yang akan digunakan dimana saiz 25 mm ini adalah saiz yang paling minima bagi litar utama kawalan motor.